|
|
Rotterdam
KLINGER The NetherlandsNikkelstraat 2 3067 GR Rotterdam
Elsloo
KLINGER Service Center LimburgBusiness Park Stein 208A 6181 MB Elsloo
Velsen-Noord
KLINGER The NetherlandsRooswijkweg 200 1951 MD Velsen-Noord
Moordrecht
Hadro TechniekZuidbaan 351 2841 MD Moordrecht |
Spoed of vragen over de beschikbaarheid?
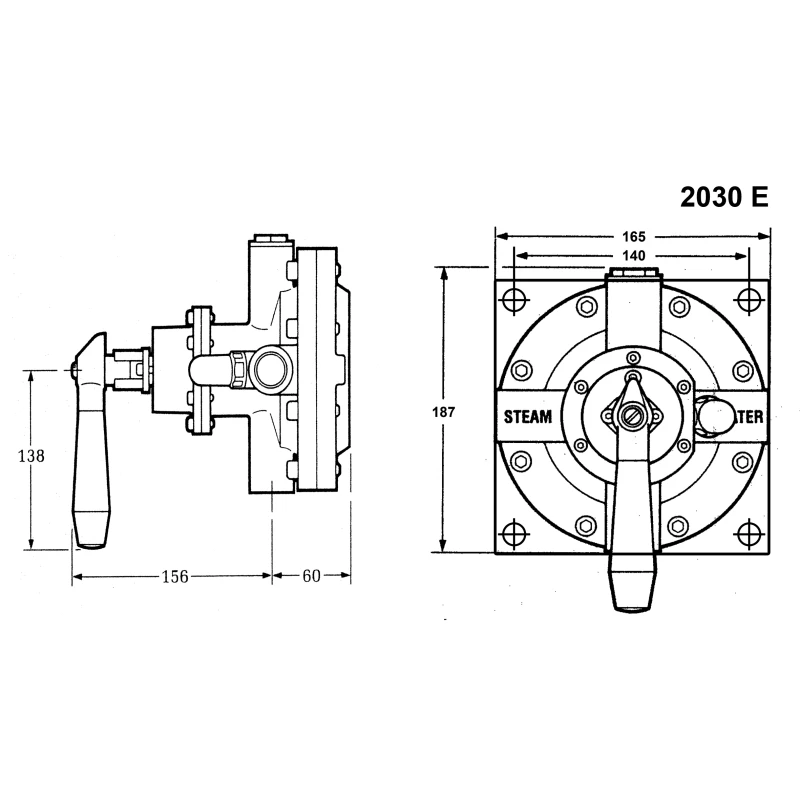
| Type | Steamix 2030 E / 2033 E |
| Materiaal | Brons ASTM B62 of RVS 304 |
| Membraan | versterkt EPDM |
| Spindel | RVS 303 |
| Klep | Brons |
| Zitting | RVS 316 / temperatuurbestendig kunststof |
| Min. druk | 1 bar |
| Max. druk | 10 bar |
| Aansluiting | NPT en BSPT binnendraad |
|
|
|
|
Niet geschikt voor oververhitte stoom.
|
|
|
|
|
| Bediening | De temperatuur wordt via de handgreep ingesteld. Desgewest kan deze hendel na het instellen worden verwijderd, zodat onbevoegden de temperatuur niet kunnen wijzigen. |
Voor meer informatie over onze appendages kunt u contact opnemen met:
Vul onderstaand formulier in om in te loggen